電動保溫球閥概述:
電動保溫球閥一般用于夾套內走加熱/伴熱介質的場合,防止物料結晶堵塞管道,
特別是一些不經常開關,物料流動性不是很好的地方。電動保溫球閥根據使用工況不同,
夾套可以是冷凝水,用于因為過熱而析出晶體,也可以用熱水、蒸汽和導熱油等做伴熱用,
其具有良好的保溫保冷特性,常用于輸送常溫下會凝固的高粘度介質。
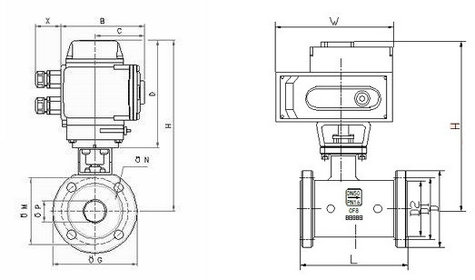
| 公稱通徑 | DN15~DN200(mm) |
| 公稱壓力 | 1.0、1.6、2.5MPa |
| 連接形式 | 對夾、法蘭 |
| 結構形式 | 分體式、整體式 |
| 驅動形式 | 電源驅動AC220V、AC380V、DC24V(其它特*) |
| 動作范圍 | 0~90° |
| 閥芯結構 | O型閥芯 |
| 閥體材質 | 鑄鋼(WCB)、不銹鋼(304、316、316L) |
| 密封材料 | PTFE(聚四氟乙烯)、PPL(對位聚苯)、金屬密封(硬質合金) |
| 使用介質 | 易凝固介質 |
| 控*方式 | 開關式(兩位切斷)、調節型(閥門定位器4~20mA信號) |

| 可選功能 | |
| 防爆功能 | 防爆等*:Exd II BT4 |
| 調節功能 | 輸入輸出4-20mA、O- 5V.DC、0- 10V.DC |
| 手動功能 | 可裝配手動裝置,開閥、關閥功能 |